Electroménager
Equipements Dressing et Placard
Evier/ Mitigeur Evier et Accessoires
Fixation et technique de collage
Luminaires
Quincaillerie d’ameublement
Rangement de Cuisine
Vitrage et cadre Allu
FICHE TECHNIQUE
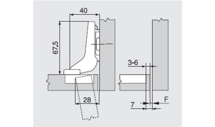
Charnière CLIP-Top, invisible, avec ou sans ressort, pour portes encastrées
Référence : 6875383
Libelle : 74T1790BTL
Caractéristiques :
* Couleur : Nickelé
* Angle d’ouverture : 107°
* Coude : Porte encastrée
* Fixation boîtier : INSERTA
* Matériau boîtier : Boîtier acier
* Mécanisme de fermeture : Sans Ressort
* Réglage latéral : +/- 2 mm
* Réglage en profondeur : + 3/- 2 mm, confortable avec vis sans fin
Avantages :
- Qualité exceptionnelle et simple au niveaux de confort du réglage, montage et démontage
- Design attractif
- Un programme complet de charnières qui offre la solution adapté e à chaque application
Remarques :
- En cas de l'application du charnière sans ressort on peut utiliser Tip-On portes (pour portes dont l'ouverture est sans poignée)






Livraison sur toute la Tunisie
+216 31 397 900Inscrivez-vous à notre newsletter et recevez
nos offres en exclusivité !
2024 © Promodar. All rights reserved.
